Mazda Protege Wiring Diagram : Diagram 1991 Mazda 323 Wiring Diagram Manual Original Full Version Hd Quality Manual Original Rackdiagrams Trattoriadeibracconieri It : Mazda car stereo wiring diagram harness pinout connector.. Mazda 626 engine starting and battery charging systems diagram. It is important to select your exact vehicle year as. Mazda mazda bongo mazda bongo workshop manual russian. Mazda 3 bose amp wiring diagram. I bought a radio and the wires for it, but the colors don't match up.

In total, that's over 51862 pages of content dedicated to your mazda protege. Wiring diagram for 2003 mazda protege radio stereo protege5 full 2002 engine 1998 5 fuse box 1999 1996 club fuel filter location alternator allegro 1 6 1980 chevy ignition 1993 323 and service repair 7de6a82 ls. Mx5, miata, rx7, cx7, mpv mazda ewds; The mazda familia, also marketed as the mazda 323 and the mazda protegé, is a small family car that was manufactured by mazda between 1963 and 2003. Mazda 626 1995 wiring diagram.pdf.

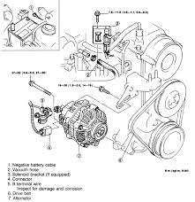
2003 Mazda Protege 5 Engine Compartment Wiring Schematic Saferbrowser Yahoo Image Search Results Mazda Protege 5 Mazda Protege Mazda
2003 Mazda Protege 5 Engine Compartment Wiring Schematic Saferbrowser Yahoo Image Search Results Mazda Protege 5 Mazda Protege Mazda from i.pinimg.com
A word to mazda owners. Mazda protegé / protegé 5. Wiring diagrams mazda by model. Every mazda stereo wiring diagram contains information from other mazda owners. The wiring diagram supplement for a 2003 mazda protege. Free pdf download for thousands of cars and trucks. And if you look at the diagram the hot wire has the stripe. 2002 mazda protege engine diagram wiring recognize lechicchedimammavale it.

Provides detailed wiring diagrams and descriptions of the audits of electrical models of different equipment.

Complete coverage for your vehicle. Commando car alarms offers free wiring diagrams for your mazda protege. Complete factory workshop manual for the mazda 323 / protege bg series, made between 1989 and 1994. Mazda 626 1995 wiring diagram.pdf. 2002 mazda protege engine diagram wiring recognize lechicchedimammavale it. It is important to select your exact vehicle year as. Mazda 3 bose amp wiring diagram. We at mazda design andbuild vehicles with complete customer satisfaction in mind. I need a link to or something that has the radio wiring diagram for a 1990 protege. Mazda protege 2002 wiring diagrams.pdf. Instead, it uses 2 ignition coils packs to create and feed spark to the cylinders. Covers the entire vehicle from maintenance and repairs, to complete rebuilds of major components. A word to mazda owners.

Instead, it uses 2 ignition coils packs to create and feed spark to the cylinders. Mx5, miata, rx7, cx7, mpv mazda ewds; Complete coverage for your vehicle. Mazda miata bose cq jm1710 af. Blue/red car radio accessory switched 12v+ wire:

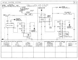
Mazda Protege 2003 Wiring Diagram Supplement Pdf Document
Mazda Protege 2003 Wiring Diagram Supplement Pdf Document from reader015.docslide.net
And covers only new major components not in the. Mazda protege workshop, repair and owners manuals for all years and models. Commando car alarms offers free wiring diagrams for your mazda protege. Power window wiring diagram of 1994 mazda rx 7. Regular servicing and maintenance of your mazda protege can help maintain its resale value, save you money, and make it safer to drive. What topics does the mazda protege service/repair manual cover? Fuse box diagram (location and assignment of electrical fuses) for mazda protege (2000, 2001, 2002, 2003). Blue/black car radio i have 2000 mazda protege and i tried hooking up my stereo and the ground wire is disconnected where is it at so i can hook it bacc up.

Complete coverage for your vehicle.

I bought a radio and the wires for it, but the colors don't match up. Having a mazda stereo wiring diagram makes installing a car radio easy. Mazda 626 engine starting and battery charging systems diagram. Mazda 626 1995 wiring diagram.pdf. Complete coverage for your vehicle. Covers the entire vehicle from maintenance and repairs, to complete rebuilds of major components. Mazda mazda bongo mazda bongo workshop manual russian. Symptoms of a bad ignition coil. Mazda 2002 protege manual online: Fuse box diagram (location and assignment of electrical fuses) for mazda protege (2000, 2001, 2002, 2003). Free pdf download for thousands of cars and trucks. Regular servicing and maintenance of your mazda protege can help maintain its resale value, save you money, and make it safer to drive. An authorized maz.la dealer can prori.le the special cdrc needed in.

Symptoms of a bad ignition coil. The mazda familia, also marketed as the mazda 323 and the mazda protegé, is a small family car that was manufactured by mazda between 1963 and 2003. Blue/red car radio accessory switched 12v+ wire: We at mazda design andbuild vehicles with complete customer satisfaction in mind. Provides detailed wiring diagrams and descriptions of the audits of electrical models of different equipment.

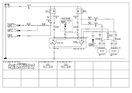
98 Mazda Protege Wiring Diagram Wiring Diagram Networks
98 Mazda Protege Wiring Diagram Wiring Diagram Networks from lh4.googleusercontent.com
Mazda protege workshop, repair and owners manuals for all years and models. Documents similar to mazda protege 2003 wiring diagram supplement. I need a link to or something that has the radio wiring diagram for a 1990 protege. And if you look at the diagram the hot wire has the stripe. Complete coverage for your vehicle. Free pdf download for thousands of cars and trucks. We at mazda design andbuild vehicles with complete customer satisfaction in mind. Wiring diagram for 2003 mazda protege radio stereo protege5 full 2002 engine 1998 5 fuse box 1999 1996 club fuel filter location alternator allegro 1 6 1980 chevy ignition 1993 323 and service repair 7de6a82 ls.

+ mazda protege (1999 — 2003).

Mazda car stereo wiring diagram harness pinout connector. I bought a radio and the wires for it, but the colors don't match up. Wiring diagrams mazda by year. Wiring diagram for 2003 mazda protege radio stereo protege5 full 2002 engine 1998 5 fuse box 1999 1996 club fuel filter location alternator allegro 1 6 1980 chevy ignition 1993 323 and service repair 7de6a82 ls. 1999 mazda protege car stereo wiring diagram car radio battery constant 12v+ wire: Mazda 2002 protege manual online: Lookin for color coded diagram for stereo wiring in a 2000 mazda protege cant find it anywhere and all the colors are ooff. It is important to select your exact vehicle year as. Power window wiring diagram of 1994 mazda rx 7. Mazda protegé / protegé 5. Mx5, miata, rx7, cx7, mpv mazda ewds; Mazda 3 bose amp wiring diagram. Complete factory workshop manual for the mazda 323 / protege bg series, made between 1989 and 1994.

By