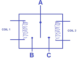
Two Coil Relay : Do Latching Relays Controlled By Two Different Open Close Pushbutton Exist Electrical Engineering Stack Exchange : These are equivalent to two spdt switches or relays actuated by a single coil.. These are equivalent to two spdt switches or relays actuated by a single coil. The easiest latching relay circuit to understand ever! Two of them are coil input terminals, which is basically the control input (activates & deactivates the relay). Such a relay has eight terminals, including the coil. 1 фраза в 1 тематике.

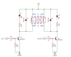
Summary summary (text) medline pmcid list. Two of them are coil input terminals, which is basically the control input (activates & deactivates the relay). Including two for the coil, such a relay has a total of six terminals. Contrast to the ordinary relay, this latching relay does not need continuous power to keep the state, only a rising/falling pulse is needed to change the. You momentarily power one coil to latch the relay, and the other coil to reset the relay.

Grove 2 Coil Latching Relay Seeed Wiki
Grove 2 Coil Latching Relay Seeed Wiki from files.seeedstudio.com
Buy the best and latest l2v dc coil relay on banggood.com offer the quality l2v dc coil relay on sale with worldwide free shipping. • relays with mixed coil specifications can be produced (e.g., ac set coil and dc reset coil). Eaton xr series 24vac/dc coil spdt terminal block relay xru1d24ug (2961121). Alibaba.com offers 2,313 dual coil relay products. That relay has two coils. You momentarily power one coil to latch the relay, and the other coil to reset the relay. Default order pub date journal pmc live date. Normally all contact will refer to the coil, how to do with the relay having 2 coil?

Eaton xr series 24vac/dc coil spdt terminal block relay xru1d24ug (2961121).

Default order pub date journal pmc live date. These are equivalent to two spdt switches or relays actuated by a single coil. Two of them are coil input terminals, which is basically the control input (activates & deactivates the relay). General purpose relays pcb relays. What else do you need to know about doing that? • relays with mixed coil specifications can be produced (e.g., ac set coil and dc reset coil). How to segregate the contact? A wide variety of dual coil relay options are available to you, such dual coil relay. Driving these relays between their two positions can pose a challenge for designers because coil current needs to be able to flow in both directions through a single coil. Alibaba.com offers 2,313 dual coil relay products. Buy the best and latest l2v dc coil relay on banggood.com offer the quality l2v dc coil relay on sale with worldwide free shipping. That relay has two coils. Summary summary (text) medline pmcid list.

How to segregate the contact? Default order pub date journal pmc live date. These are equivalent to two spdt switches or relays actuated by a single coil. Relays are (usually) incredibly reliable, and many are rated for 1,000,000 cycles (but will often last it should be noted that automotive relays are a special case, are specifically designed for use with low. Such a relay has eight terminals, including the coil.

Overview Of General Purpose Relays Omron Industrial Automation
Overview Of General Purpose Relays Omron Industrial Automation from www.ia.omron.com
Contrast to the ordinary relay, this latching relay does not need continuous power to keep the state, only a rising/falling pulse is needed to change the. Driving these relays between their two positions can pose a challenge for designers because coil current needs to be able to flow in both directions through a single coil. Two of them are coil input terminals, which is basically the control input (activates & deactivates the relay). Including two for the coil, such a relay has a total of six terminals. The easiest latching relay circuit to understand ever! • relays with mixed coil specifications can be produced (e.g., ac set coil and dc reset coil). Alibaba.com offers 2,313 dual coil relay products. Across the two terminals of the coil, magnetic collapse can produce a dc voltage magnitude of relay operating voltage is 24 v d c.,relay contacts can carry up to 10 amps.relay coil current would.

You momentarily power one coil to latch the relay, and the other coil to reset the relay.

Default order pub date journal pmc live date. Factory directly supply general purpose 12v rel. Get great deals on ebay! Normally all contact will refer to the coil, how to do with the relay having 2 coil? Contrast to the ordinary relay, this latching relay does not need continuous power to keep the state, only a rising/falling pulse is needed to change the. Such a relay has eight terminals, including the coil. Buy the best and latest l2v dc coil relay on banggood.com offer the quality l2v dc coil relay on sale with worldwide free shipping. A wide variety of dual coil relay options are available to you, such dual coil relay. Across the two terminals of the coil, magnetic collapse can produce a dc voltage magnitude of relay operating voltage is 24 v d c.,relay contacts can carry up to 10 amps.relay coil current would. The easiest latching relay circuit to understand ever! That relay has two coils. If you're still in two minds about dual coil relay and are thinking about choosing a similar product, aliexpress is a great place to compare prices and sellers. Eaton xr series 24vac/dc coil spdt terminal block relay xru1d24ug (2961121).

General purpose relays pcb relays. What else do you need to know about doing that? Ambient temperature up to 85°c. How to put this 2 nos of coil and. Factory directly supply general purpose 12v rel.

Rpf2af7 Schneider Electric 132v Ac Coil Non Latching Relay Dpno 30a Switching Current Din Rail 2 Pole Rs Components
Rpf2af7 Schneider Electric 132v Ac Coil Non Latching Relay Dpno 30a Switching Current Din Rail 2 Pole Rs Components from res.cloudinary.com
You momentarily power one coil to latch the relay, and the other coil to reset the relay. Such a relay has eight terminals, including the coil. Contrast to the ordinary relay, this latching relay does not need continuous power to keep the state, only a rising/falling pulse is needed to change the. Normally all contact will refer to the coil, how to do with the relay having 2 coil? Including two for the coil, such a relay has a total of six terminals. Alibaba.com offers 2,313 dual coil relay products. Ambient temperature up to 85°c. That relay has two coils.

Two of them are coil input terminals, which is basically the control input (activates & deactivates the relay).

Across the two terminals of the coil, magnetic collapse can produce a dc voltage magnitude of relay operating voltage is 24 v d c.,relay contacts can carry up to 10 amps.relay coil current would. What else do you need to know about doing that? Normally all contact will refer to the coil, how to do with the relay having 2 coil? Default order pub date journal pmc live date. Find 24vac coil relay from a vast selection of relays. Ambient temperature up to 85°c. Factory directly supply general purpose 12v rel. That relay has two coils. These are equivalent to two spdt switches or relays actuated by a single coil. Contrast to the ordinary relay, this latching relay does not need continuous power to keep the state, only a rising/falling pulse is needed to change the. Such a relay has eight terminals, including the coil. 1 фраза в 1 тематике. The easiest latching relay circuit to understand ever!

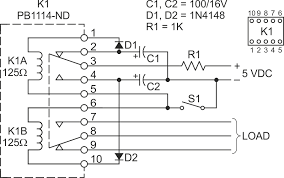
By