2000 Dodge Intrepid Radio Wiring Diagram - 2000 Dodge Dakota Radio Wiring Diagram Wiring Diagram Load Started A Load Started A Miceincampania It - 810 x 1024 gif 90 кб.. Dodge intrepid es 1995 wiring diagrams sch. Just click on repair manuals them select your car. Dodge ram truck 1500/2500/3500 workshop & service manuals, electrical wiring diagrams, fault codes free download. I need a radio wiring diagram for my 2001 dodge ram 1500. Fuse 18 in the junction block (dash) should be a 20 amp.

This free video shows you how to replace a blown interior fuse on a 2000 dodge intrepid es 2.7l v6. Vehicle wiring details for a 2000 dodge intrepid. 1104 x 1445 gif 80 кб. The stereo wiring diagram for the 1998 dodge caravan is basically a wiring blueprint for that vehicle. All wiring diagrams posted on the site are collected from free sources and are intended solely for informational purposes.

02 Dodge Intrepid Wiring Diagram Wiring Diagram Wave Started Wave Started Miceincampania It
02 Dodge Intrepid Wiring Diagram Wiring Diagram Wave Started Wave Started Miceincampania It from detoxicrecenze.com
The car was stolen and recovered. Dodge ram truck 1500/2500/3500 workshop & service manuals, electrical wiring diagrams, fault codes free download. Dodge ram truck 2015 wiring diagram radio.jpg. Anywhere to get the wireing diagrams for the older trucks like the 2002 the wire colors and locations in the loom are incorrect from a 2004 to my 2002. All wiring diagrams posted on the site are collected from free sources and are intended solely for informational purposes. Dodge intrepid es 1995 wiring diagrams sch. The stereo wiring diagram for the 1998 dodge caravan is basically a wiring blueprint for that vehicle. 2000 dodge wiring diagrams search 380df dodge intrepid stereo wiring diagram resources read more » how do i remove the starter from a 2000 we attempt to discuss this 2000 dodge intrepid 2.7 engine diagram picture on this page because based on info coming from google search engine.

Vehicle wiring details for a 2000 dodge intrepid.

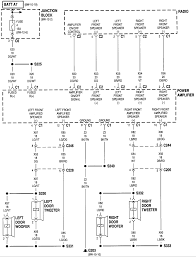
Dodge caravan 2000 system wiring diagrams. Dodge intrepid repair manuals & wiring diagrams. There should be an identifying sales code on the radio faceplate. The car was stolen and recovered. 2001 dodge durango audio wiring diagram can someone help me with the color codes for the car stereo wires. Always verify all wires, wire colors and diagrams before applying any information found here to your 2000 dodge intrepid. Just click on repair manuals them select your car. Anywhere to get the wireing diagrams for the older trucks like the 2002 the wire colors and locations in the loom are incorrect from a 2004 to my 2002. It will be 3 white letters beginning with 'r'. Tuesday, december 12, 2000 03:21pm. Power door (lock) wiring diagram for 1 door lock. If you can't find your car stereo wiring diagram or car radio wiring diagram on modified life, please feel free to post a car wiring diagram request (car stereo wiring diagram. Vehicle wiring details for a 2000 dodge intrepid.

View and download dodge intrepid service manual online. 2000 dodge wiring diagrams search 380df dodge intrepid stereo wiring diagram resources read more » how do i remove the starter from a 2000 we attempt to discuss this 2000 dodge intrepid 2.7 engine diagram picture on this page because based on info coming from google search engine. Dodge intrepid repair manuals & wiring diagrams. Chassis 1999 dodge ram 1500 truck car stereo radio wireing diagram 4x4 sign up free at (www.12volt.com) and you can access all wiring diagrams etc required. If you can't find your car stereo wiring diagram or car radio wiring diagram on modified life, please feel free to post a car wiring diagram request (car stereo wiring diagram.

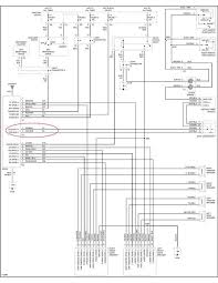
Diagram 2000 Dodge Intrepid Wiring Diagram Full Version Hd Quality Wiring Diagram Gwendiagram Piacenziano It
Diagram 2000 Dodge Intrepid Wiring Diagram Full Version Hd Quality Wiring Diagram Gwendiagram Piacenziano It from lh5.googleusercontent.com
Vehicle wiring details for a 2000 dodge intrepid. Chassis 1999 dodge ram 1500 truck car stereo radio wireing diagram 4x4 sign up free at (www.12volt.com) and you can access all wiring diagrams etc required. Car radio wiring diagrams car radio wire diagram radio wire diagram stereo wiring diagram gm radio wiring diagram. This site helps you to save the earth from electronic waste! 2001 dodge durango audio wiring diagram can someone help me with the color codes for the car stereo wires. Power door (lock) wiring diagram for 1 door lock. Just click on repair manuals them select your car. 2000 dodge intrepid fuel filter | wiring diagram database.

See more ideas about radio, diagram, car stereo.

Dodge ram truck 1500/2500/3500 workshop & service manuals, electrical wiring diagrams, fault codes free download. Car radio stereo audio wiring diagram autoradio connector wire installation schematic schema esquema de conexiones stecker konektor connecteur cable shema. Vehicle wiring details for a 2000 dodge intrepid. This site helps you to save the earth from electronic waste! Dodge intrepid es 1995 wiring diagrams sch. This free video shows you how to replace a blown interior fuse on a 2000 dodge intrepid es 2.7l v6. If you can't find your car stereo wiring diagram or car radio wiring diagram on modified life, please feel free to post a car wiring diagram request (car stereo wiring diagram. 810 x 1024 gif 90 кб. There should be an identifying sales code on the radio faceplate. Dodge intrepid repair manuals & wiring diagrams. Chassis 1999 dodge ram 1500 truck car stereo radio wireing diagram 4x4 sign up free at (www.12volt.com) and you can access all wiring diagrams etc required. Electrical wiring becker stereo wire diagram 2000 e320 jvc radio harness 81 wi jvc radio wire harness (+81 wiring diagrams). Dodge ram truck 2015 wiring diagram radio.jpg.

Tuesday, december 12, 2000 03:21pm. I need a radio wiring diagram for my 2001 dodge ram 1500. Dodge caravan 2000 system wiring diagrams. The car was stolen and recovered. Always verify all wires, wire colors and diagrams before applying any information found here to your 2000 dodge intrepid.

2000 Dodge Intrepid Fuse Box Location Wiring Diagram Power Feature A Power Feature A Ristoranteallelogge It
2000 Dodge Intrepid Fuse Box Location Wiring Diagram Power Feature A Power Feature A Ristoranteallelogge It from hrdiagramonline.tufogrecofestival.it
Power door (lock) wiring diagram for 1 door lock. Dodge ram truck 2015 wiring diagram radio.jpg. Just click on repair manuals them select your car. 1995 dodge intrepid 3.5l need vacuum line diagram! Always verify all wires, wire colors and diagrams before applying any information found here to your 2000 dodge intrepid. Service manuals, schematics, eproms for electrical technicians. Electrical wiring becker stereo wire diagram 2000 e320 jvc radio harness 81 wi jvc radio wire harness (+81 wiring diagrams). Most of the wiring diagram for the 96 intrepid ( i own the same car with 3.5) can be found on www.autozone.com.

Red car radio switched 12v+ wire:

Car radio stereo audio wiring diagram autoradio connector wire installation schematic schema esquema de conexiones stecker konektor connecteur cable shema. Most of the wiring diagram for the 96 intrepid ( i own the same car with 3.5) can be found on www.autozone.com. A wiring diagram is a type of schematic which uses abstract pictorial symbols to 2000 dodge intrepid part wiring diagram database 2000 dodge intrepid wiring diagrams wiring. Anywhere to get the wireing diagrams for the older trucks like the 2002 the wire colors and locations in the loom are incorrect from a 2004 to my 2002. Fuse 18 in the junction block (dash) should be a 20 amp. View and download dodge intrepid service manual online. I need a radio wiring diagram for my 2001 dodge ram 1500. Tuesday, december 12, 2000 03:21pm. All wiring diagrams posted on the site are collected from free sources and are intended solely for informational purposes. Electrical wiring becker stereo wire diagram 2000 e320 jvc radio harness 81 wi jvc radio wire harness (+81 wiring diagrams). There should be an identifying sales code on the radio faceplate. Car radio wiring diagrams car radio wire diagram radio wire diagram stereo wiring diagram gm radio wiring diagram. Dodge intrepid repair manuals & wiring diagrams.

By