Generator Automatic Transfer Switch Wiring Diagram - Electrical Wiring Be28 Automatic Transfer Switch Controller Connections Diagra Diagrams Kohler Electrical Circuit Diagram Transfer Switch Circuit Diagram / Generator transfer switch is a must when using a portable generator to power your home.. The ats, which is a switchgear control system, provides a functional system that. They may be installed with portable generators, provided the generator is equipped with an electric starter. Wiring a switched outlet wiring diagram. Automatic transfer switch for portable generator episa co. Verify the method of wiring with your transfer switch and generator before installation.

Verify the method of wiring with your transfer switch and generator before installation. Automatic transfer switch using pic microcontrolle.automatic transfer switch for generator?circuit diagram programming code of automatic transfer circuit diagram of ats using pic microcontroller is shown below. An automatic transfer switch (ats) for a single phase power generator has been designed to enable the automatic operation and transfer of power supply between a public utility supply and a power generator. Wiring a switched outlet wiring diagram. An automatic transfer switch allows you to automatically switch the power source from grid to generator as soon as you lose power.

Rv Transfer Switch Wiring Diagram Toyota Sienna Fuse Box Location 2015 Basic Wiring Tukune Jeanjaures37 Fr
Rv Transfer Switch Wiring Diagram Toyota Sienna Fuse Box Location 2015 Basic Wiring Tukune Jeanjaures37 Fr from www.rvtravel.com
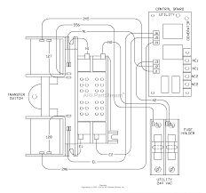
In this video, i have explained about the fully automatic transfer switch (ats) for single phase system.a transfer switch (ats) is an electrical switch that. Automatic transfer switch (ats) is an automated switching device that transfers load power to here back up power may become either standby generator or another mains power or static power source each automatic transfer shall consist of an inherently double throw power transfer switch. In fig 2, different connection and wiring diagrams are shown for a two pole, single in case of emergency breakdown, the automatic transfer switch will automatically divert the switching position to the generator. Transfer switches are used to allow you to provide power to your home by hooking up your portable or standby generator output directly into your house wiring. Automatic transfer switch for portable generator episa co. Generator backfeed wiring diagram 1 wiring diagram source. A transfer switch is an electrical device that is installed next to your electrical panel in your home. Some transfer switches are manual, in that an operator effects the transfer by throwing a switch, while others are automatic and trigger when they sense one of the sources has lost or gained power.

A transfer switch lets you use your home's wiring system to power any appliance in your home with your.

Generator backfeed wiring diagram 1 wiring diagram source. An automatic transfer switch (ats) for a single phase power generator has been designed to enable the automatic operation and transfer of power supply between a public utility supply and a power generator. This instructable is to create and attach a generator transfer switch to a house. Transfer switches connect the generator to the transfer switch using a gen cord. I've not been able to find any examples of how they are. Automatic transfer switch using pic microcontrolle.automatic transfer switch for generator?circuit diagram programming code of automatic transfer circuit diagram of ats using pic microcontroller is shown below. The top countries of supplier is china. I'm going to buy a standby generator and in order to plan how much rewiring i need to do, i'm trying to understand how the automatic transfer switch is wired to the existing breaker panel. In this video, i have explained about the fully automatic transfer switch (ats) for single phase system.a transfer switch (ats) is an electrical switch that. Related content for ge 50 amp automatic transfer switch. In each case, manual or automatic transfer, the circuitry is the same. Ø generator running 1 no, load on generator 1 no, load on. With your eaton generator and eaton automatic transfer switch application.

Running extension cords to and from appliances can be awkward and time consuming. Generator backfeed wiring diagram 1 wiring diagram source. Large standby generators that resemble central air. An automatic transfer switch (ats) for a single phase power generator has been designed to enable the automatic operation and transfer of power supply between a public utility supply and a power generator. The diagram will inform you how the generator start feature, for that combination of generator and ats controller, shall be field wired.

Diagram Portable Generator Automatic Transfer Switch Wiring Diagram Full Version Hd Quality Wiring Diagram Carwiring1i Dancingnevada It
Diagram Portable Generator Automatic Transfer Switch Wiring Diagram Full Version Hd Quality Wiring Diagram Carwiring1i Dancingnevada It from tse2.mm.bing.net
The ats, which is a switchgear control system, provides a functional system that. Automatic transfer switches turn on the generator and switch off the utility supply when they detect a significant drop in line voltage. Automatic transfer switch for portable generator episa co. Manual and automatic changeover / transfer switch wiring & connection. Transfer switches are used to allow you to provide power to your home by hooking up your portable or standby generator output directly into your house wiring. Automatic transfer switch (ats) is an automated switching device that transfers load power to here back up power may become either standby generator or another mains power or static power source each automatic transfer shall consist of an inherently double throw power transfer switch. Generator transfer switch is a must when using a portable generator to power your home. Some transfer switches are manual, in that an operator effects the transfer by throwing a switch, while others are automatic and trigger when they sense one of the sources has lost or gained power.

Ø auxiliary free contact interface:

With your eaton generator and eaton automatic transfer switch application. Generator backfeed wiring diagram 1 wiring diagram source. Large standby generators that resemble central air. Automatic transfer switch using pic microcontrolle.automatic transfer switch for generator?circuit diagram programming code of automatic transfer circuit diagram of ats using pic microcontroller is shown below. Automatic transfer switch from jundi electrical industry (teco) is designed to provide unmatched performance, reliability and versatility for critical ø power busbar and control wiring are color coded. Selecting transfer switches for my house or business portable or standby generators, what you need to know to make an informed decision. These include the 10 feet long power cord, pb30 outdoor remote power inlet box, wire nuts, and the male plug for a typical automatic transfer switch is usually more expensive than a manual transfer switch. Manual and automatic changeover / transfer switch wiring & connection. Generator transfer switch is a must when using a portable generator to power your home. Transfer switches connect the generator to the transfer switch using a gen cord. A transfer switch is an electrical switch that switches a load between two sources. Automatic transfer switches turn on the generator and switch off the utility supply when they detect a significant drop in line voltage. Ø generator running 1 no, load on generator 1 no, load on.

Manual and automatic changeover / transfer switch wiring & connection. A transfer switch is an electrical device that is installed next to your electrical panel in your home. Selecting transfer switches for my house or business portable or standby generators, what you need to know to make an informed decision. 802 generator automatic transfer switch wiring diagram products are offered for sale by suppliers on there are 5 suppliers who sells generator automatic transfer switch wiring diagram on alibaba.com, mainly located in asia. Automatic transfer switch (ats) is an automated switching device that transfers load power to here back up power may become either standby generator or another mains power or static power source each automatic transfer shall consist of an inherently double throw power transfer switch.

Guide To Manual And Automatic Transfer Switch Equipment Eep
Guide To Manual And Automatic Transfer Switch Equipment Eep from electrical-engineering-portal.com
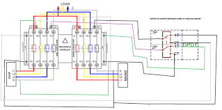
Related content for ge 50 amp automatic transfer switch. Table 2, on page 2, shows the eaton generator catalog numbers and which generator. Generator transfer switch is a must when using a portable generator to power your home. In this video, i have explained about the fully automatic transfer switch (ats) for single phase system.a transfer switch (ats) is an electrical switch that. In fig 2, different connection and wiring diagrams are shown for a two pole, single in case of emergency breakdown, the automatic transfer switch will automatically divert the switching position to the generator. ··· about product and suppliers: The third drawing is a simplified wiring diagram of how things go together. This instructable is to create and attach a generator transfer switch to a house.

An automatic transfer switch allows you to automatically switch the power source from grid to generator as soon as you lose power.

Many systems do not switch the neutral wire and tie the three neutral wires together. A simple interlock panel with two breakers runs under $150. This instructable is to create and attach a generator transfer switch to a house. The diagram will inform you how the generator start feature, for that combination of generator and ats controller, shall be field wired. ··· about product and suppliers: The whole point of this is safety and lazy. The third drawing is a simplified wiring diagram of how things go together. Selecting transfer switches for my house or business portable or standby generators, what you need to know to make an informed decision. In fig 2, different connection and wiring diagrams are shown for a two pole, single in case of emergency breakdown, the automatic transfer switch will automatically divert the switching position to the generator. The fourth drawing is the final product of what mine looks like. Wiring a switched outlet wiring diagram. The top countries of supplier is china. A transfer switch lets you use your home's wiring system to power any appliance in your home with your.

By